Ленточнопильные станки для обработки древесины
Ленточнопильные станки ЛС40-2, ЛС80-6 столярного предназначения служат для прямолинейного и криволинейного распиливания досок и плитно-листовых материалов.
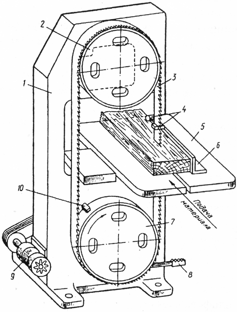
Станок ленточнопильный столярный ЛС80-6 состоит из станины (1), верхнего неприводного шкива (2), ленточной пилы (3), ограждения пилы с направляющим устройством (4), наклоняющего стола (5), нижнего шкива (7), который приводится во вращение с помощью ременной передачи от электро-двигателя (9). Рабочая поверхность шкифов очищается щеткой (10).
Для выпиливания заготовок требуемой ширины служит направляющая линейка (6). Для быстрой остановки нижнего приводного шкива установлено тормозное устройство, действующее от педали (8). Шкивы имеют плоский обод с мягким резиновым или кожаным бандажом. Он служит для увеличения сцепления между ленточной пилой и шкивами при их вращении. Пильные шкивы имеют ограждение.
В ленточнопильных станках применяют специальные ленточные пилы для распилива ия древесины и древесных материалов. Ленточнопильные станк ЛС40-2 и ЛС80-6 имеют сле-дующие технические даннь е: диаметр пильных шкивов 400 и 800 мм, наибольшая высо а пропила 250-400 мм, размеры столов (длина и ширина) 50 х 525 и 1000 * 1100 мм, частота вращения пильных шкивов 1430 * 720 об/мин, наименьший радиус кривизны пропила 150 и 600 мм.
![]() |
Ленточнопильный станок ЛС80-6: 1 — станина; 2 — верхний неприводной шкив; 3 — ленточная пила; 4 — ограждение пилы с направляющим устройством; 5 — стол; 6 — направляющая линейка; 7 — нижний шкив; 8 — педаль тормозного устройства; 9 — электродвигатель; 10— щетка |
![]() |
|
| Профили зубьев ленточных пил: а — столярных для поперечного и криволинейного распиливания; б — делительных для продольного распиливания; t— шаг зубьев; h — высота зубьев |
Продольно-фрезерные станки
После раскроя пиломатериалы имеют неровную шероховатую поверхность, риски, покоробленность и другие дефекты, устраняемых фрезерованием. В процессе фрезерования получают выверенную поверхность, по которой можно выверить остальные поверхности. Для продольного фрезерования используют фуговальные, рейсмусовые и четырехсторонние продольно-фрезерные станки.

