Долбежные и шлифовальные станки для обработки древесины
Долбежные станки
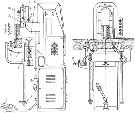
При сборке рамочных и каркасных конструкций столярно-строительных изделий используют гнезда и пазы прямоугольной формы, которые выбирают на долбежных станках. В зависимости от применяемого режущего инструмента различают станки цепнодолбежные с фрезерной цепью ДЦА-3, ДЦА-4 и долбежные с гнездовой фрезой. Цепнодолбежный станок с фрезерной цепью ДЦА включает станину (3), рабочий стол с гидроприжимом (6), суппорт (7) с режущей головкой (8). Стол состоит из двух плит, вертикальная плита (4) установлена на шариковых направляющих станины и имеет продольную передачу от маховика (10).
Горизонтальная плита (5) прикреплена к вертикальной плите и может опускаться и подниматься по высоте от размеров обрабатываемой заготовки. При выборе гнезда в кромке щитовой заготовки горизонтальную плиту снимают, заготовку устанавливают на переставляемые по высоте упоры (2). Суппорт перемещается вверх или вниз по направляющим станины станка. На суппорте смонтирована режущая головка, которую реечной передачей можно переставлять в поперечном направлении съемной рукояткой (9).
![]() |
Цепнодолбежный станок ДЦА-4: 1 — педаль; 2 — станина; 3 — станина; 4 — вертикальная плита; 5 — гори-зонтальная плита; 6— гидроприжим; 7—суппорт; 8 —режущая головка; g _ рукоятка; 10 — маховичок продольной подачи; 11 — ограничитель хода стола |
Перед работой на центродолбежном станке ДЦА-4 необходимо правильно выбрать и установить режущую головку. Настроить стол и отрегулировать ход суппорта на глубину гнезда, установить скорость подачи. Необходимо следить, чтобы режущая цепь была натянута, подавалась с равномерным нажимом. При углублении цепи в заготовку подачу нужно постепенно уменьшать.
На станках ДЦА-3 и ДЦА-4 можно выбирать гнезда глубиной до 160 мм и длиной 40-430 и 40-350 мм. При долблении гнезд проверяют их качество. Неравномерность ширины гнезда и его отклонение от перпендикулярности к боковой поверхности заготовки допускается не более 0,2 мм на длине 100 мм. Шероховатость поверхности должна быть не более 200 мкм.
Рабочая часть режущей цепи цепнодолбежного станка должна иметь защитное устройство, которое опускается на обрабатываемую поверхность заготовки при углублении цепи в древесину. Нерабочую часть цепи и звездочку защищают металлическим кожухом.
Шлифовальные станки
Для получения ровных и гладких поверхностей деталей и изделий из древесины и древесных материалов их шлифуют, обрабатывая шлифовальной шкуркой. Процесс шлифования состоит в резании материалов абразивными зернами шлифовальной шкурки.
![]() |
Шлифовальный ленточный станок ШлПС-5П: 1, 7— направляющие для перемещения стола и утюжка; 2 — рычаг, 3,5 — шкивы; 4 — шлифовальная лента; 6 — рукоятка; 8 — стол; 9 — утюжок; 10 — винтовой механизм |
Для шлифования плоских поверхностей деталей и изделий применяют шлифовальные станки одноленточные с неподвижным столом ШлНС-2, ШлНС-3, с ручным перемещением стола и утюжка ШлПС-5П, ШлПС8, с механизированным передвижением утюжка ШлПС-7, с вертикальным расположением шлифовальной ленты ШлНСВ, ШлНСВ, двухленточные с протяжным утюжком и конвейерной подачей Н1лПС9, ШлПС-10, ШлПС-12.
Для шлифования поверхности (пластей) щитов, рамок, деталей из тонколистовых материалов фанеры используют трехцилиндровые шлифовальные станки ШлЗЦ19-1, ШлЗЦВ19-1. При точной обработке в размер по толщине заготовок из древесных плит и фанеры применяют калибровально-шлифовальные станки 2ШлКА, 2ШлКП, МКШ-1-01.
![]() |
Схемы шлифования на станках: а — общая схема; б — лентой, расположенной на столе; в — лентой, прижимаемой утюжком; з — широкой лентой, прижимаемой контактным вальцом; д — широкой лентой, прижимаемой контактной балкой; е — шлифовальной шкуркой, прикрепленной к диску; ж — шлифовальной шкуркой, навитой на цилиндр; 1 — деталь; 2 — абразивные зерна шлифовальной шкурки; 3 — клеевая связка; 4 — основа шлифовальной шкурки; 5 —лента шлифовальной шкурки; б — стол; 7— утюжок; 8 — контактный валец; 9 — контактная балка; 10 — диск; 11 — цилиндр |
Для шлифования мелких деталей и изделий с криволинейными поверхностями применяют комбинированные шлифовальные станки с двумя дисками и бобиной ШлДБ-4, ШлДБ-5. Шлифование криволинейных поверхностей деталей и изделий можно производить на станках со свободной шлифовальной лентой ШлСЛ-2, ШлСЛ-3.
![]() |
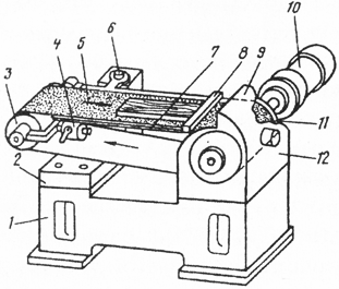
Узколенточный шлифовальный станок с неподвижным столом ШлНС-2: 1 — станина; 2— задняя бабка; 3,11 — шкивы; 4 — направляющее устройство; 5 — шлифовальная лента; 6 — ось; 7 — стол; 8 — упорная линейка; 9 — ограждение-пылеприемник; 10 — электродвигатель; 12 — передняя бабка |
На шлифовальных станках применяют шлифовальную шкурку на бумажной или тканевой основе различной зерности от № 32 до № 8. Шероховатость поверхности зависит от породы шлифуемой древесины, которая должна быть не более 250 мкм.
Для шлифования деталей и изделий малых размеров применяют комбинированный шлифовальный станок с двумя дисками и бобиной ШлДБ-4.



